Technisches:

Wir fertigen Felgen nach :



1) Fahrzeughersteller, Fahrzeugmarke, Typ des Fahrzeuges
2) Musterfelge
3) Musternabe
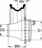
4) Maßangaben ( siehe nachfolgende Auflistung/Skizzen )

D1 = Lochkreisdurchmesser der Nabe

D2 = Lochkreisdurchmesser der Nabe (nur bei Halbnaben)

BN = Breite der Nabe gemessen außen am Nabenflansch



NV = Nabenversatz, wird die Felge mittig oder außermittig
zur Nabe eingespeicht ?
( bitte vor dem Zerlegen des Rades vermessen )

FB = Felgenbezeichnung

K = Kreuzungszahl der Speichen

L = Lochzahl der Nabe oder Felge

ND = Nippeldurchmesser

 

 

 

A-Felge

zeigt die Bohrungen der Felge zum Ventilloch
an, nur erforderlich bei Naben mit 2 Einhängeseiten
oder mit geraden Speichen.

 

B-Felge